logo
北京承力电源
  • 首页
  • 关于承力
    • 关于我们
    • 企业理念
    • 企业资质
    • 企业荣誉
  • 产品中心
    • 产品预览
    • 参数选型
    • 应用选型
    • 产品定制
    • 解决方案
    • 辅助配件
  • 服务支持
    • 关于产品
    • 支持服务
    • 技术资料
    • 辅助配件
  • 质量体系
    • 质量管理实施
    • 国军标GJB9001B
    • 产品CE认证
    • 研发项目管理
    • 产品质量检验
    • 生产过程一览
    • 承力EMC试验室
  • 联系我们
    • 联系我们
    • 告知函
    • 人才招聘
    • 员工培训
    • 文化生活
中文 | English
公司介绍
  • 关于我们
  • 企业理念
  • 企业资质
  • 企业荣誉
服务支持
  • 关于产品
    承力产品概述 产品命名与解释 关于电磁兼容试验 产品3C安全认证 产品RoHS认证 产品蓝皮书
  • 支持服务
    开关电源常见问题解答 开关电源的测试方法 关于电源散热与安装 开关电源外围电路选择
  • 技术资料
    承力产品手册 定制产品技术规格书 产品例行试验及测试报告 产品外形尺寸安装图纸
  • 辅助配件
    散热器 滤波器 接线叉 安装螺栓 导热材质
联系我们

产品热线:010-69478421

服务热线:010-80841946-216

技术支持:010-80841946-238

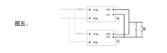
您所在当前位置: 首页 > 服务支持 > 开关电源直接并联

开关电源直接并联

2014-08-14 15:19:14

 

关于承力 | 产品中心 | 服务支持 | 质量体系 | 联系我们
版权所有:北京承力电源有限公司 京ICP备15011779号-1
Copyright © 2007 Beijing Chengli Power Supply Co.,Ltd. All Rights Reserved.   北京网站建设:北京企迪信息技术有限公司   360网站安全检测平台